你提供的照片可能用于改善必应图片处理服务。
隐私政策
|
使用条款
无法使用此链接。检查链接是否以 "http://" 或 "https://" 开头,然后重试。
无法处理此搜索。请尝试其他图像或关键字。
试用视觉搜索
使用图像搜索、识别对象和文本、翻译或解决问题
将一个或多个图像拖到此处,
上传图像
或
打开相机
将图像放到此处以开始搜索
要使用可视化搜索,请在浏览器中启用相机
English
全部
搜索
图片
灵感
创建
集合
视频
地图
资讯
更多
购物
航班
旅游
笔记本
自动播放所有 GIF
在这里更改自动播放及其他图像设置
自动播放所有 GIF
拨动开关以打开
自动播放 GIF
图片尺寸
全部
小
中
大
特大
至少... *
自定义宽度
x
自定义高度
像素
请为宽度和高度输入一个数字
颜色
全部
仅限颜色
黑白
类型
全部
照片
剪贴画
素描
动画 GIF
透明
版式
全部
方形
横版
高
人物
全部
仅脸部
半身像
日期
全部
过去 24 小时
过去一周
过去一个月
去年
授权
全部
所有创作共用
公共领域
免费分享和使用
在商业上免费分享和使用
免费修改、分享和使用
在商业上免费修改、分享和使用
详细了解
清除筛选条件
安全搜索:
中等
严格
中等(默认)
关闭
筛选器
1024×640
kar-glass.com
Power Window Repair - Kar-Glass
1280×800
kar-glass.com
Power Window Repair - Kar-Glass
1440×840
Safelite
Power Window Repair | Fix Your Power Window Motor | Safelite
320×262
lloydsglass.com
Auto Power Window Repair | Northwest, FL
1280×853
aaa-autoglass.us
Power Window Repair Service | Window Regulator Repair | AAA Auto Glass
500×315
powerupauto.com
Power Window Repair Palm Harbor Ford F150.
1000×600
glassfixitauto.com
Power Window Repair: FAQs | GlassFixit
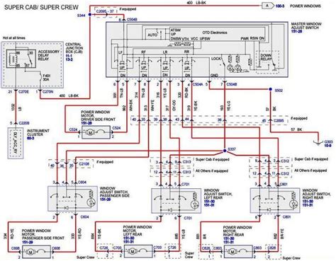
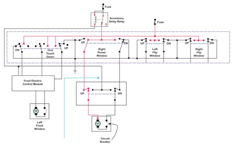
798×600
diagramelectric.co
Power Window Wiring Diagram Ford F150 » Wiring Diagram
700×525
www.f150forum.com
power window motor - Ford F150 Forum - Community of …
640×361
www.f150forum.com
Rear Power Window - Ford F150 Forum - Community of Ford Truck Fans
1280×720
tpa10.com
Ford F250 Power Window Troubleshooting: Expert Tips & Fixes - Tpa10.com
1280×720
thehomereviews.com
Ford F250 Power Window Troubleshooting
1000×1000
thegearbox.ae
Automatic Window Motor Repair | Power Windo…
1024×641
circuitdiagram.co
98 F150 Power Window Wiring Diagram - Circuit Diagram
1024×768
theservicestationblog.com
Ford F150 Window Switch Repair | The Service Station Blog
512×683
www.f150forum.com
Weird power window problem …
450×798
www.f150forum.com
Weird power window proble…
1000×677
wiringwork.com
how to replace a power window motor ford f150 - Wiring Work
640×480
www.f150forum.com
Power window and Power mirror not functioning - Ford F150 Forum - Co…
500×500
diycarexpert.com
How to Fix Ford Power Window Problems? - DIYCarExpert
1250×872
www.f150forum.com
power window problems - Ford F150 Forum - Community of Ford Truck F…
1068×800
www.f150forum.com
2012 F150 power window problems - Ford F150 Forum - Community of Ford Truck Fans
640×462
www.f150forum.com
2012 F150 power window problems - Ford F150 Forum - Community of …
1536×1152
fordmasterx.com
Ford F150 Power Sliding Rear Window - Fordmasterx
1280×720
storage.googleapis.com
Power Window Not Working Ford Ranger at Odessa Anderson blog
1024×576
Ford Truck Enthusiasts
HOW TO: Replacing Power Window Motors - Ford Truck Enthusiasts Forums
1024×768
trucksauthority.com
How to Replace Power Window Motor on Ford F15…
1344×768
diycar.org
Fixing a Broken Power Window Mechanism in 5 Steps - DIY Car Blog
1997×1504
www.f150forum.com
2019 F150 power window broken - Ford F150 Forum - …
1200×675
carschematics.com
Understanding the Inner Workings of a 1995 Ford F150 Power Window Motor: Exploring an ...
640×360
www.f150forum.com
2005 power window issue. - Page 2 - Ford F150 Forum - Community of Ford Truck …
427×433
JustAnswer
How do I replace the driver side power window moter o…
1280×720
storage.googleapis.com
How To Replace A Power Window Motor Ford F150 at Nicholas Erwin blog
1280×720
storage.googleapis.com
How To Replace A Power Window Motor Ford F150 at Nicholas Erwin blog
1280×720
storage.googleapis.com
How To Replace A Power Window Motor Ford F150 at Nicholas Erwin blog
某些结果已被隐藏,因为你可能无法访问这些结果。
显示无法访问的结果
报告不当内容
请选择下列任一选项。
无关
低俗内容
成人
儿童性侵犯
反馈